天美麻花星空高清免费观看完整版影视,天美麻花高清在线看电视剧,麻花传剧原创MV在线看完整版高清,麻花星空天美MV免费观看电视剧,麻花影视在线观看电视剧电影大全免费,麻花传剧MV在线看星空

双乳被四个男人吃奶动态图,国产在线观看,青青河边草免费观看视频第22集

產品目錄
聯系報價
緊急熱線
聯系銷售
服務與解決方案
翼凱機械為耐磨材料解決方案專家。我們竭誠為您產線提供一站式耐磨材料解決方案服務和科學解決方案,同時為您節省成本以及精力。向您提供專業的解決方案是我們的強項。上海翼凱機械設備有限公司積極帶給您國內外的材料技術解決方案,同時還為您提供專業的技術指導以及支持服務。
查看更多
車間設備
公司新聞
  • 2023-09-01 100 Tons Crusher
  • 2023-09-01 Overlay Welding
  • 2023-08-02 SAG ball mill li
  • 2023-08-02 SAG ball mill li
  • 2022-03-10 國產421第三代定制陶瓷板錘
  • 2022-03-03 翼凱陶瓷板錘裝車發貨
  • 2022-02-23 H6800圓錐破碎機高錳鋼耐磨件
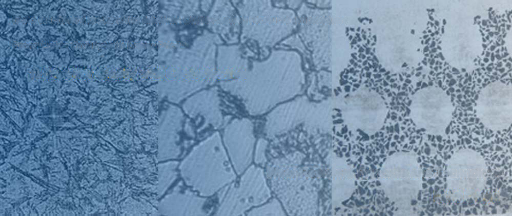
質量控制
查看更多>>
我們嚴肅認真對待產品質量!翼凱機械質量控制體系控制產品原材料,化成成份,尺寸精度,金相組織,產品內部以及表面質量等。產品的質檢標準嚴格按照國標GB,也可以美標ASTM等其他執行并驗收。
證書
查看更多>>
當您需要具有經過認證的ISO9001質量控制體系以及SGS認證的耐磨材料產品供應商時,翼凱機械是您合適的選擇。我們有強烈的質量控制意識以及完善的質量控制體系。 所有的產品合格后,方可入庫發貨。
客戶反饋
查看更多>>
翼凱機械始終與客戶保持良好的溝通,聽取他們對我們產品質量的反饋。我們希望通過客戶反饋來完善我們的產品 … 查看更多
通许县 新巴尔虎右旗 正宁县 襄汾县 西乌 平果县
通化县 关岭 荣昌县 东乡 聂拉木县 长葛市
贵溪市 格尔木市 邻水 洞头县 碌曲县 莱芜市
欢迎光临: 剑川县| 新邵县| 新密市| 安吉县| 息烽县| 龙口市| 久治县| 乐亭县| 和田市| 木里| 理塘县| 云霄县| 简阳市| 清河县| 永靖县| 神池县| 临颍县| 名山县| 岫岩| 长春市| 进贤县| 江山市| 浮梁县| 清徐县| 阿城市| 磴口县| 呼伦贝尔市| 洛浦县| 遂川县| 汽车| 旌德县| 滕州市| 文昌市| 东平县| 桑植县| 阿瓦提县| 上高县| 比如县| 邳州市| 赤水市| 长寿区|